海灣手動火災報警按鈕J-SAM-GST9122_應用|接線圖
文章來源:m.feimu-hr.com作者:海灣消防公司人氣:2342日期:2020-08-15 03:48:22
海灣手動火災報警按鈕J-SAM-GST9122_應用|接線圖
一,結構特征、安裝與布線
手動火災報警按鈕外形示意圖如圖2- 9
J-SAM-GST9122手動火災報警按鈕外形尺寸圖

手動火災報警按鈕的外接端子示意圖如圖2- 10
J-SAM-GST9122手動火災報警按鈕接線端子圖

其中:
Z1、Z2:報警控制器來的信號總線,無極性。
K1、K2:額定DC30V/100mA無源輸出端子,當報警按鈕按下時,輸出觸點閉合信號,可直接控制外部設備。
TL1、TL2:與GST-LD-8304連接的端子。
布線要求:信號Z1、Z2采用阻燃RVS雙絞線,截面積≥1.0mm2;消防電話線TL1、TL2采用阻燃RVVP屏蔽線,截面積≥1.0mm2。
二,應用方法
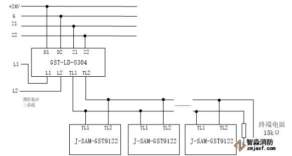
作為手動火災報警按鈕使用時,將報警按鈕的Z1、Z2端子直接接入火災報警控制器總線上即可。作為手動火災報警按鈕及消防電話插孔使用時,將報警按鈕的Z1、Z2端子直接接入火災報警控制器總線上,同時將報警按鈕的TL1、TL2端子與GST-LD-8304消防電話模塊連接,具體見圖2- 11 所示(最末端報警按鈕的TL1、TL2接線端子接4.7kΩ終端電阻)。
J-SAM-GST9122手動火災報警按鈕與GST-LD-8304接線圖

海灣安全技術有限公司主營:海灣消防報警系統銷售報價,消防工程改造,氣體滅火、電氣火災安裝,售后安裝維修,檢測,調試,海灣消防網址:http://m.feimu-hr.com/;海灣服務熱線:18910580194
此文關鍵字:
海灣手動火災報警按鈕J-SAM-GST9122_應用|接線圖
推薦文章
- 海灣消防主機觀察控制器顯示:查看報警、故障及預警指示
- 海灣消防主機熱敏打印機故障解決辦法
- 海灣消防設備短路或接地故障導致控制器損壞之分析與防范
- 海灣消防通訊總線故障怎么解決
- 防火卷簾兩側的專用感溫火災探測器,跨越防火分區是否需設短路隔離器?
- 新規發布:學生宿舍必須安裝火災自動報警系統或具有聯網功能的獨立式火災探測器!
- 氣體探測器如何與防爆風機聯動?
- 關于“海灣消防放氣勿入指示燈故障,不能聯動閃亮”問題的分析與改進建議
- 室內消火栓動壓不達標該咋辦?
- 【圖解】海灣主機故障現象集合及維修處理經驗分享






蘇公網安備32058102002150號