海灣JTW-ZOM-GSTN9812(Ex)防爆溫感
海灣JTW-ZOM-GSTN9812(Ex)點型感溫火災探測器適用于石油、化工等行業具有防爆要求的1區及2區使用。與GST-LD-N8401(Ex)總線隔離式安全柵配合使用,可接入海灣公司生產的各類火災報警控制器,完成探測器的信號處理。
JTW-ZOM-GSTN9812(Ex)探測器防爆類型為本質安全型,產品符合GB3836.1-2010《爆炸性環境第1部分:設備通用要求》和GB3836.4-2010《爆炸性環境第4部分:由本質安全型“i”保護的設備》的有關規定。
二、海灣JTW-ZOM-GSTN9812(Ex)點型感溫火災探測器產品特點
海灣JTW-ZOM-GSTN9812(Ex)探測器采用無極性二總線信號,地址碼可由編碼器實現寫入,工程調試方便。本探測器結構新穎、外形美觀、性能穩定可靠,特別適用于發生火災時有劇烈溫升的場所,與感煙探測器配合使用更能可靠探測火災,減少損失,且具有良好的抗化學腐蝕性。
三、海灣JTW-ZOM-GSTN9812(Ex)點型感溫火災探測器技術參數
| 型號 | JTW-ZOM-GSTN9812(Ex) |
| 工作電壓 |
信號總線電壓:總線24V 允許范圍:16V~28V |
| 工作電流 |
監視電流≤0.3mA 報警電流≤1.0mA |
| 指示燈 | 紅色,巡檢時閃爍,報警時常亮 |
| 防爆標志 | Ex ib IIC T6 Gb |
| 防爆合格證號 | CE16.2222 |
| 安全柵參數 | U0=28V I0=115mA C0=0.083μF L0=4mH P0=0.8W |
| 設備最大輸入參數 | Ui=28V Ii=115mA Ci=0 Li=0 Pi=0.8W |
| 保護面積 | 當空間高度為6米~12米時,一個探測器的保護面積,對一般保護場所而言為80平方米。空間高度為6米以下時,保護面積為60平方米。具體參數應以《火災自動報警系統設計規范》(GB 50116)為準 。 |
| 線制 | 信號二總線無極性 |
| 編碼方式 | 電子編碼(編碼范圍為1~242) |
| 使用環境 |
溫度:-10℃~+55℃ 相對濕度≤95%,不凝露 |
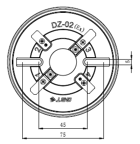
| 外形尺寸 | 直徑:103mm 高;58mm(帶底座) |
| 殼體材料和顏色 | 防爆ABS,瓷白 |
| 重 量 | 約157g |
| 安裝孔距 | 45mm~75mm |
| 執行標準 | GB 4715-2005、GB 3836.1-2010、GB 3836.4-2010 |
四、海灣JTW-ZOM-GSTN9812(Ex)探測器結構特征與工作原理
1.探測器外形示意圖如下圖所示。
探測器外形示意圖
2.工作原理
探測器采用熱敏電阻作為傳感器,利用熱敏電阻對環境溫度敏感的特性來獲取環境溫度信息。內部電路將該信息轉換為電壓信號后傳送到單片機。單片機通過內置的智能算法對信號進行分析處理,同時判斷當前是否處于火警或故障狀態,并向控制器發送當前的狀態信息。
五、JTW-ZOM-GSTN9812(Ex)探測器安裝與接線
警告:安裝及布線應嚴格按照防爆產品相關安裝規范執行。
1.探測器安裝方式如下圖所示。
探測器安裝示意圖
2.接線方式
探測器的防爆底座示意圖如圖所示。底座上有4個導體片,1,3導片上帶接線端子,底座上不設定位卡,便于調整探測器報警確認燈的方向。布線管內的探測器總線分別接在1,3接線端子上(不分極性),另一對導體片用來輔助固定探測器。
待底座安裝牢固后,將探測器底部對正底座順時針旋轉,即可將探測器安裝在底座上。
探測器底座示意圖
3.布線要求
底座接線電纜均選用截面積不小于1.0mm2的本安電纜,且電纜間分布電容不得大于0.083μF,分布電感不得大于4.0mH。
注:為避免接線混亂,應采用不同顏色的線進行區別。
海灣安全技術有限公司主營:海灣消防報警系統銷售報價,消防工程改造,氣體滅火、電氣火災安裝,售后安裝維修,檢測,調試,海灣消防網址:http://m.feimu-hr.com/;海灣服務熱線:18910580194
推薦文章
- 海灣消防主機觀察控制器顯示:查看報警、故障及預警指示
- 海灣消防主機熱敏打印機故障解決辦法
- 海灣消防設備短路或接地故障導致控制器損壞之分析與防范
- 海灣消防通訊總線故障怎么解決
- 防火卷簾兩側的專用感溫火災探測器,跨越防火分區是否需設短路隔離器?
- 新規發布:學生宿舍必須安裝火災自動報警系統或具有聯網功能的獨立式火災探測器!
- 氣體探測器如何與防爆風機聯動?
- 關于“海灣消防放氣勿入指示燈故障,不能聯動閃亮”問題的分析與改進建議
- 室內消火栓動壓不達標該咋辦?
- 【圖解】海灣主機故障現象集合及維修處理經驗分享









蘇公網安備32058102002150號